Испратете ни е-пошта
Производи
Цилиндар за врзување на SCT
  • Цилиндар за врзување на SCTЦилиндар за врзување на SCT
  • Цилиндар за врзување на SCTЦилиндар за врзување на SCT
  • Цилиндар за врзување на SCTЦилиндар за врзување на SCT

Цилиндар за врзување на SCT

Добредојдовте во големопродажба или приспособен SCT цилиндар за врзување од нашата фабрика во секое време. Ќе ви обезбедиме фабрички попустни цени за нашите производи. OLK е производител и добавувач на цилиндри за врзување на SCT во Кина.

Цилиндарот за врзување SCT има двонасочни YCC заптивни прстени и моќен дизајн со двоен такт, со компактен и префинет изглед кој обезбедува брзо дејство и непречено, стабилно производство. Секој слој од цилиндерот содржи поединечен клип, а за време на процесот на притискање-влечење, повеќе клипови го делат оптоварувањето, дозволувајќи му на цилиндерот да постигне најкомпактна должина додека генерира повеќекратна излезна сила преку неговата повеќеслојна наредена структура. Овој дизајн со двојна сила испорачува посилна моќност, а конфигурацијата со шест заптивки-прстен обезбедува одлични перформанси на запечатување, овозможувајќи му на цилиндерот да држи притисок до 1,4 MPa без истекување.

Карактеристика на цилиндарот на шипката за врзување на SCT

· OLK стандардни цилиндри.

· Клипната заптивка прифаќа специјална двонасочна заптивна структура, која се карактеризира со компактен дизајн и функција за складирање масло.

Цилиндарот за врзување SCT има двонасочни YCC заптивни прстени и моќен дизајн со двоен такт, со компактен и префинет изглед кој обезбедува брзо дејство и непречено, стабилно производство. Секој слој од цилиндерот содржи поединечен клип, а за време на процесот на притискање-влечење, повеќе клипови го делат оптоварувањето, дозволувајќи му на цилиндерот да постигне најкомпактна должина додека генерира повеќекратна излезна сила преку неговата повеќеслојна наредена структура. Овој дизајн со двојна сила испорачува посилна моќност, а конфигурацијата со шест заптивки-прстен обезбедува одлични перформанси на запечатување, овозможувајќи му на цилиндерот да држи притисок до 1,4 MPa без истекување.

· Клипната шипка може да постигне повеќе точки на позиционирање за време на целосниот удар.

· Мазна и прилагодлива амортизација.

· Различни спецификации на цилиндрите и додатоци за монтирање се достапни за клиентите да изберат.

· Материјалите за заптивање отпорни на висока температура се опционални, што му овозможува на цилиндерот да работи нормално на 150°C.


Симбол на цилиндар за врзување на SCT 


Код за нарачка

SCT

50

   X   

50

   X   

50

  -  

S

 

 

 

Модел:

Големина на дупката

 

Мозочен удар 1

 

Мозочен удар 2

 

Магнет

Материјал за заптивање

Тип на монтирање

Нишка

Цилиндар за врзување на SCT

 

 

 

 

 

 

Празно: без

Празно: TPU

Празно:

Празно:

PT конец

 

 

 

 

 

 

 

С: со магнет

N:NBR

LB: монтажа на нога

T:NPT нишка

 

 

 

 

 

 

 

 

H:

 

G:G нишка


Големина на отворот (мм)

   32   

   40   

   50   

   63   

   80   

   100

Режим на глума

Двојна глума

Работен медиум

Исчистен воздух

Фиксна форма

Основни и ЛБ 

Работен притисок

0,1-1,0 MPa (14-145 Psi)

Доказ за притисок

1,5 Mpa (215 Psi)

Опсег на работна температура

„-20-80℃

Користете опсег на брзина

30-800

Режим на баферирање

Прилагодлив тампон

Растојание на бафер (мм)

21

28

29

Големина на порта

PT1/8

PT1/4

PT3/8

PT1/2



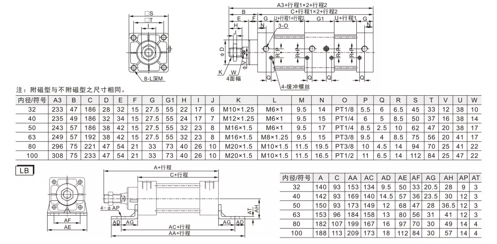
Шеми за пневматска контрола за цилиндри со повеќе позиции

Секој дел од цилиндерот содржи клип.

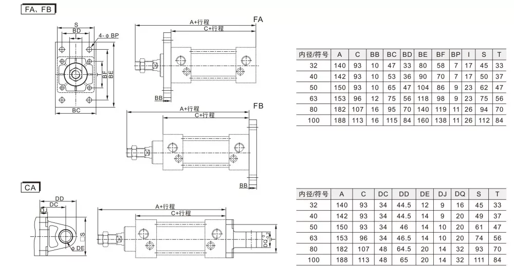
· Цилиндар од типот на вратоврска прачка; предните и задните капаци се поврзани со телото на алуминиумската цевка со шипки за врзување за голема сигурност.

Влезот за воздух на цилиндерот① е поврзан со отворот А на електромагнетниот вентил, а влезот за воздух на цилиндарот е поврзан во серија со портата Б на електромагнетниот вентил. Влезот за воздух на Cylinder③ е поврзан со пригушувач. Кога портата А на електромагнетниот вентил е под напон, цилиндрите остануваат во повлечена положба. Кога портата B е под напон, цилиндрите почнуваат да работат.

1.Продолжување

Кога доводот на воздух е вклучен:

Електромагнетниот вентил бр.1 е под напон, а цилиндерот се протега до првиот удар.

 

Електромагнетниот вентил бр.2 потоа се напојува, а цилиндерот се протега до вториот удар.

 

2.Повлекување

Кога клипната шипка е целосно издолжена:

Електромагнетниот вентил бр.1 и бр.2 се исклучени и цилиндерот целосно се повлекува.

1. Екстензија (напред)

Кога доводот на воздух е вклучен:

Електромагнетниот вентил бр.1 и бр.2 се напојуваат истовремено.

Цилиндерската шипка се протега низ сите потези додека не се извлече целосно.

 

2. Повлекување (Враќање чекор-по-чекор)

① Вратете се на втората позиција

Кога клипната шипка е целосно издолжена:

Електромагнетниот вентил бр.2 е исклучен, поради што цилиндерот се повлекува на втората позиција.

② Врати се на првата позиција

· Клипната заптивка прифаќа специјална двонасочна заптивна структура, која се карактеризира со компактен дизајн и функција за складирање масло.

 

 


Најчесто поставувани прашања:

Која е серијата цилиндри SCT?

SCT цилиндарот припаѓа на стандардната серија на пневматски цилиндричен тип на шипки


Жешки тагови: SCT Tie-Rod цилиндар, Кина, производител, добавувач, фабрика
Испрати барање
Контакт Инфо
  • Адреса

    Road Zhengtai Road, Xinguang Industrial Zone, Liushi, Yueqing, Wenzhou, Zhejiang, China.

  • Е-пошта

    cici@olkptc.com

Добредојдовте на нашата веб-страница! За прашања за нашите производи или ценовник, ве молиме оставете ни ја вашата е-пошта и ќе стапиме во контакт во рок од 24 часа.
Е-пошта
cici@olkptc.com
тел
86-0577 57178620
Мобилен
+86-13736765213
Адреса
Road Zhengtai Road, Xinguang Industrial Zone, Liushi, Yueqing, Wenzhou, Zhejiang, China.
X
Ние користиме колачиња за да ви понудиме подобро искуство во прелистувањето, да го анализираме сообраќајот на страницата и да ја персонализираме содржината. Со користење на оваа страница, вие се согласувате со нашата употреба на колачиња. Политика за приватност
Отфрли Прифати