Испратете ни е-пошта
Производи
Регулатор на притисок Airtac Type GR
  • Регулатор на притисок Airtac Type GRРегулатор на притисок Airtac Type GR

Регулатор на притисок Airtac Type GR

Можете да бидете сигурни дека ќе купите регулатор на притисок од типот GR Airtac од нашата фабрика и ние ќе ви ја понудиме најдобрата услуга по продажбата и навремена испорака.

Регулаторот за притисок Airtac тип GR обезбедува стабилна и прецизна контрола на притисокот за пневматските системи. Пневматски регулатор OLK  GR со издржлива конструкција и лесно прилагодување, обезбедува сигурни перформанси во опремата за автоматизација, алати за воздух, компресори и општи индустриски апликации. Компатибилен со филтри, подмачкувачи и FRL единици.

Регулатор на притисок Airtac тип GR Карактеристики на производот:

·Вградениот квадратен манометар заштедува простор за инсталација (надворешниот кружен манометар по избор).

· Дизајнот на заклучување спречува случајно прилагодување на притисокот предизвикано од надворешна сила.

· Балансираната структура за регулирање на притисокот обезбедува стабилен притисок, мали флуктуации и добри перформанси.

·Може да се инсталира на панел или со изборен држач за монтирање.

·Покрај стандардниот модел, достапен е и тип со низок притисок (максимален прилагодлив притисок: 0,4 MPa)


GR регулатор на притисок Симбол:

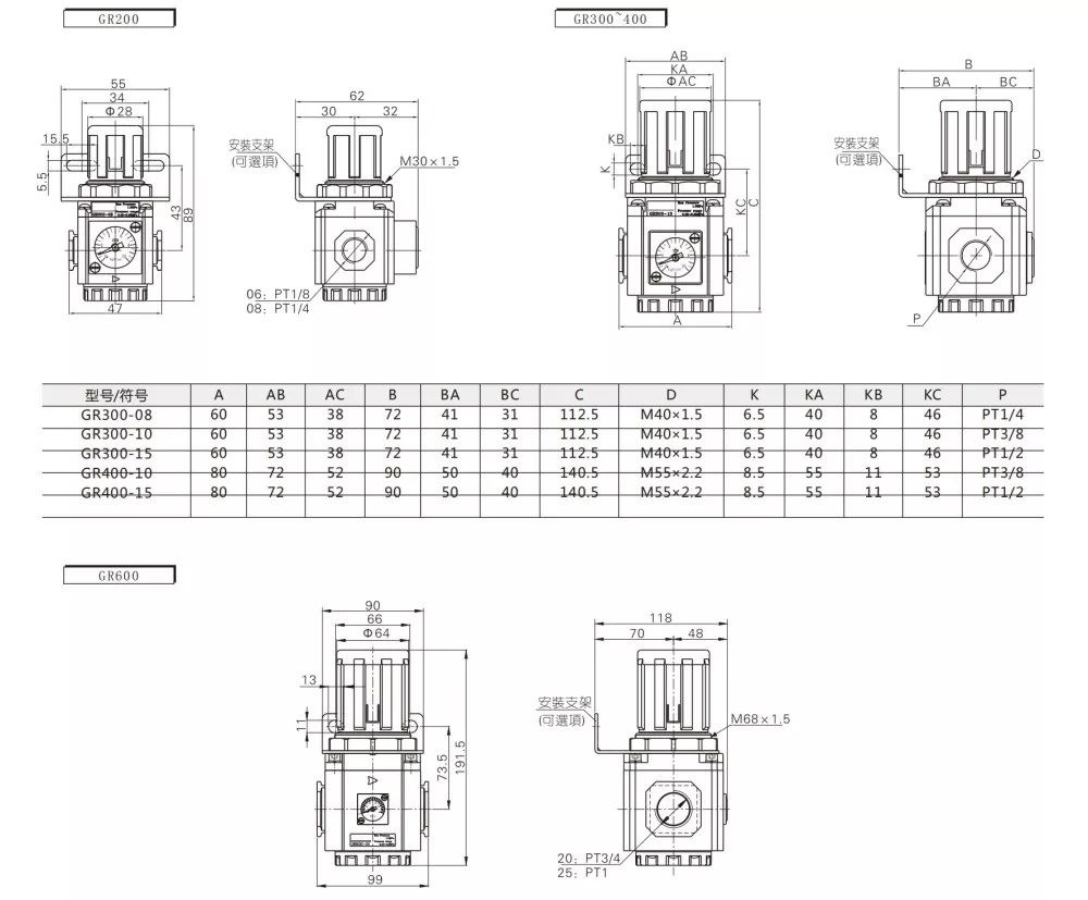
Код за нарачка

GR200

--

08

Модел:

 

Големина на порта:

Регулатор на притисок од серијата GR200

 

06:PT:1/8

Регулатор на притисок од серијата GR300

 

08: PT1/4

Регулатор на притисок од серијата GR400

 

15: PT1/2

Регулатор на притисок од серијата GR600

 

15: PT1/2

 

 

20: PT3/4

 

 

25: PT1


Модел

GR200-06

GR200-08

GR300-08

GR300-10

GR300-15

GR400-10

GR400-15

GR600-20

GR600-25

Работен медиум

ВОЗДУХ

Големина на порта

PT1/8

PT1/4

PT1/4

PT3/8

PT1/2

PT3/8

PT1/2

PT3/4

PT1

Опсег на работен притисок

0,05-0,9Mpa (20-130psi)

0,05-0,9Mpa (20-130psi)

1,5 MPa (215 psi)

ТЕМ.

-20--70℃

Тежина

160гр

350гр

720 гр

1700гр


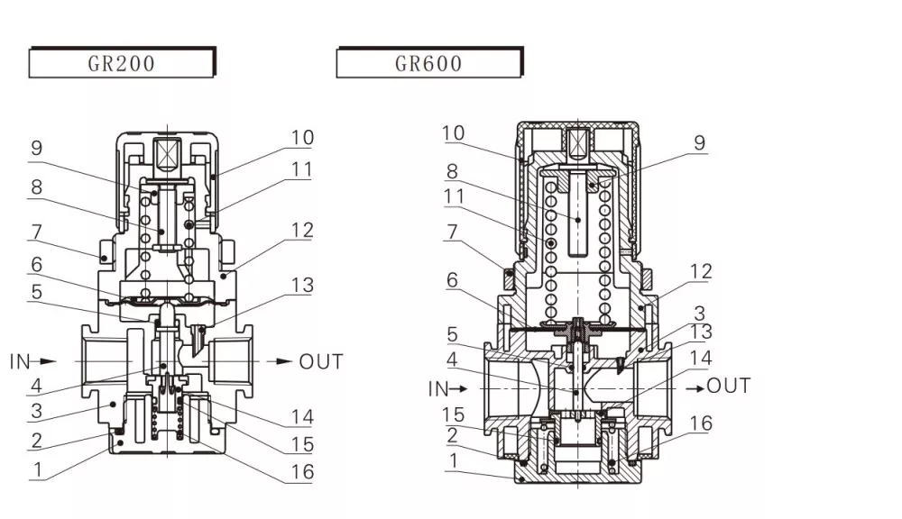
Како да го прилагодите регулаторот на притисокот Airtac тип GR

На капачето за прилагодување има скала за притисок. Кога ќе се испорача воздух, повлечете го копчето нагоре и свртете го во насока на стрелките на часовникот кон знакот „+“ за да го зголемите притисокот. По прилагодувањето, притиснете го копчето надолу за да го заклучите.


Опсег на работен притисок

Чекор 2: Свртете го во насока на стрелките на часовникот за да го зголемите притисокот.

Чекор 3: Притиснете го копчето надолу за да се заклучи по прилагодувањето.


Забелешка: Обрнете внимание на стрелката што ја покажува насоката на протокот на воздух кога се поврзувате. Обратен влезен приклучок може да предизвика истекување на воздух.




Најчесто поставувани прашања:

Што значи ГР?

GR значи регулатор на воздух од серијата GR.


Што значи GFC?

GFC=GFR+GL  (Регулатор на филтер + подмачкувач)


Што значи GC?

GC=GF+GR+GL (филтер + пневматски регулатор + лубрикатор)



Жешки тагови: Регулатор на притисок Airtac Type GR, Кина, производител, добавувач, фабрика
Испрати барање
Контакт Инфо
  • Адреса

    Road Zhengtai Road, Xinguang Industrial Zone, Liushi, Yueqing, Wenzhou, Zhejiang, China.

  • Е-пошта

    cici@olkptc.com

Добредојдовте на нашата веб-страница! За прашања за нашите производи или ценовник, ве молиме оставете ни ја вашата е-пошта и ќе стапиме во контакт во рок од 24 часа.
Е-пошта
cici@olkptc.com
тел
86-0577 57178620
Мобилен
+86-13736765213
Адреса
Road Zhengtai Road, Xinguang Industrial Zone, Liushi, Yueqing, Wenzhou, Zhejiang, China.
X
Ние користиме колачиња за да ви понудиме подобро искуство во прелистувањето, да го анализираме сообраќајот на страницата и да ја персонализираме содржината. Со користење на оваа страница, вие се согласувате со нашата употреба на колачиња. Политика за приватност
Отфрли Прифати